登录
|
注册
中文
|
en
首页
遥控芯片硬件
遥控驱动软件
万能码库和app代码
产品案例
下载中心
联系我们
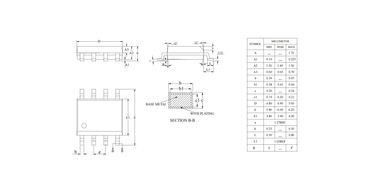
HXD039B2 智能红外万能收发IC芯片
产品详情
产品推荐
专业遥控芯片:手机万能遥控器,红外遥控IC,HXD019,红外码库,红外遥控数据,万能码库,云端码库,wifi转红外,红外万能码库,在线库,离线库,红外码库大全,红外万能码库大全
您是第53766位访客
粤ICP备13027018号
深圳市市场监督管理局企业主体身份公示